https://www.facebook.com/Lawnmower-Man-1148902845291498/ Parts for Generators EU EU3000 EU3000I AN EAVJ-1000001-9999999 CYLINDER BARREL | Lawnmower Man

Generators EU EU3000 EU3000I AN EAVJ-1000001-9999999 CYLINDER BARREL - Lawnmower Man

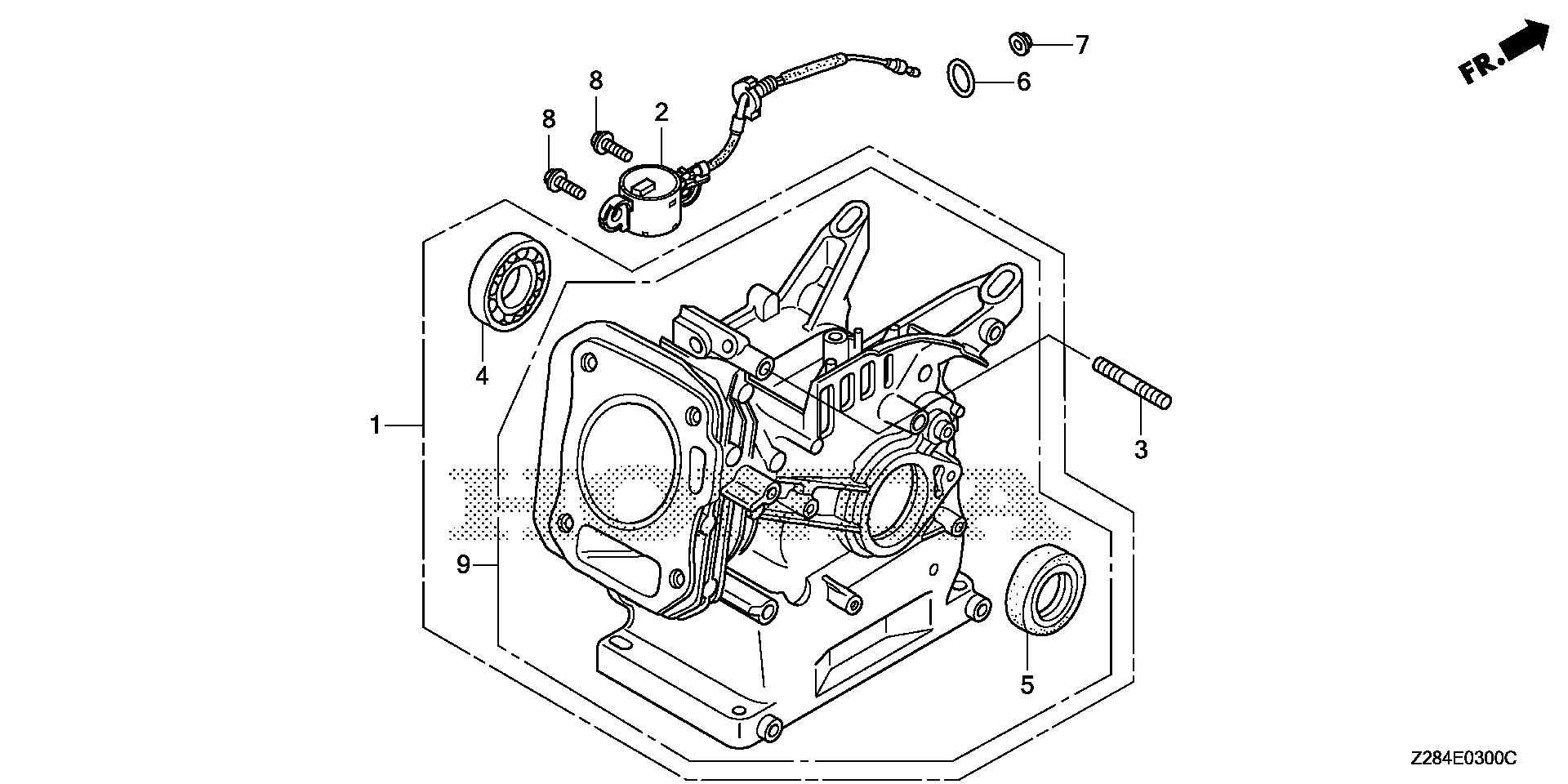
Ref No
Part Number
Description
Serial Range
Qty
Price

Ref No
1
Part Number
12000-Z2G-405
Description
CYLINDER ASSY.
Serial Range
1000001 - 9999999
Qty
Price
$595.60

Ref No
2
Part Number
35480-Z0T-003
Description
SWITCH ASSY., OIL LEVEL
Serial Range
3000001 - 9999999
Qty
Price
$74.26

Ref No
3
Part Number
90045-ZG1-770
Description
BOLT, STUD (6X25)
Serial Range
1000001 - 9999999
Qty
Price
$2.86

Ref No
4
Part Number
91001-ZF1-003
Description
BEARING, RADIAL BALL (6205TMB) (NTN)
Serial Range
1000001 - 9999999
Qty
Price
$24.28

Ref No
5
Part Number
91201-Z0T-801
Description
OIL SEAL (25X41X6) (NOK)
Serial Range
1000001 - 9999999

Ref No
6
Part Number
91353-671-003
Description
O-RING (13.5X1.5) (ARAI)
Serial Range
1000001 - 9999999
Qty
Price
$3.50

Ref No
7
Part Number
94050-10000
Description
NUT, FLANGE (10MM)
Serial Range
1000001 - 9999999

Ref No
8
Part Number
95701-06012-00
Description
BOLT, FLANGE (6X12)
Serial Range
1000001 - 9999999
Qty
Price
$1.98